Hallo Zusammen,
ich benötige mal eure Hilfe.
Bei meiner R6 RJ11 fehlt die linke Schaltereinheit, war schon beim Kauf so.
Nun lässt sich der Ofen aber nicht mit eingelegtem Gang starten.
Also möchte ich den nicht mehr vorhandenen Schalter durch eine Brücke simulieren damit das Bike starten kann bei eingelegtem Gang. Soll hier laut Forum kein Problem sein.
Habe schon ein wenig gelesen nur leider habe ich keinen Vergleich da ich nicht weiß wo die Linke Schaltereinheit eingesteckt war.
Anhand des Schaltplan habe ich am WE mal gesucht und ein wenig probiert. Hat aber nicht gefunzt.
Nun meine Fragen:
Ist das der richtige Stecker im Bild?
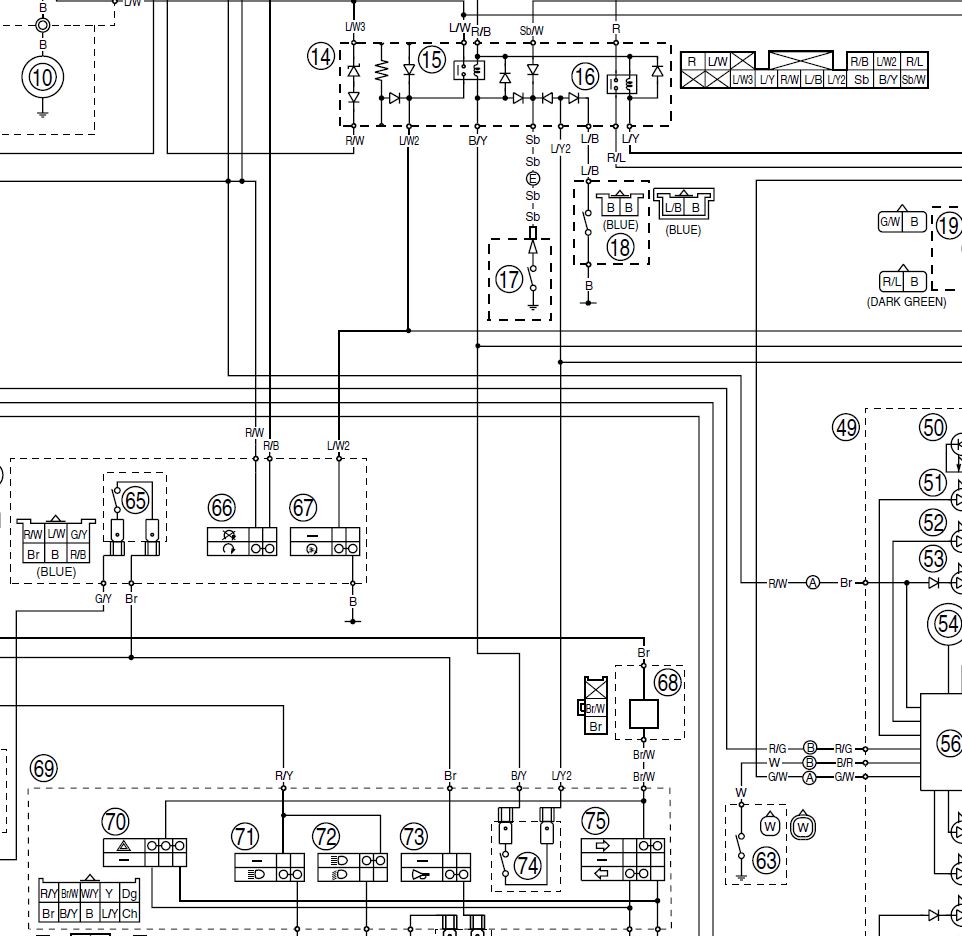
Fehlt da noch ein Bauteil? Im Schaltplan geht der Schalter 74 auf eine Einheit die ich nicht finden kann.
Was muss ich Brücken, meiner Meinung nach Schwarz/ Gelb und Blau/ Gelb, aber das hat nicht funktioniert.
Hat jemand einen Tipp für mich?
Danke und Gruß
Chris
R6 RJ11 Kupplungsschalter brücken
Fahrwerk, Tuning, Reifen, Tips&Tricks,...
- Chris129 Offline
- Beiträge: 145
- Registriert: Donnerstag 29. Juli 2010, 09:35
- Motorrad: aprilia RSV4
- Lieblingsstrecke: Zolder
- Wohnort: Lünen
- Kontaktdaten:
R6 RJ11 Kupplungsschalter brücken
Kontaktdaten:
Re: R6 RJ11 Kupplungsschalter brücken
Kontaktdaten:
Ja, mit der Brücke am Stecker sollte das Funktionieren, ist ja nicht wie bei den Gixxer die den Schalter brauchen.
Habe an meiner R1 auch ne Brücke am Stecker gemacht ohne Probs.
Die Farbe laut Plan B / Y -> Schwarz/Gelb aber L / Y2 ist sicher nicht Blau/Gelb
Habe an meiner R1 auch ne Brücke am Stecker gemacht ohne Probs.
Die Farbe laut Plan B / Y -> Schwarz/Gelb aber L / Y2 ist sicher nicht Blau/Gelb
Und immer ne Handbreit Asphalt unter'm Reifen !!
- Chris129 Offline
- Beiträge: 145
- Registriert: Donnerstag 29. Juli 2010, 09:35
- Motorrad: aprilia RSV4
- Lieblingsstrecke: Zolder
- Wohnort: Lünen
- Kontaktdaten:
Re: R6 RJ11 Kupplungsschalter brücken
Kontaktdaten:
L/Y2 habe ich in der Legende auch nicht gefunden.
Aber ich will nicht sinnlos Rum Brücken.
Aber ich will nicht sinnlos Rum Brücken.
Re: R6 RJ11 Kupplungsschalter brücken
Kontaktdaten:
Am Schalter (74) gehen 2 Kabel weg, 1x B/Y und 1x L/Y2xjr treiber hat geschrieben:L/Y2 habe ich in der Legende auch nicht gefunden.
Aber ich will nicht sinnlos Rum Brücken.
sollten die Kürzel erklärt sein
Und immer ne Handbreit Asphalt unter'm Reifen !!
- Chris129 Offline
- Beiträge: 145
- Registriert: Donnerstag 29. Juli 2010, 09:35
- Motorrad: aprilia RSV4
- Lieblingsstrecke: Zolder
- Wohnort: Lünen
- Kontaktdaten:
Re: R6 RJ11 Kupplungsschalter brücken
Kontaktdaten:
Ich habe mir den Schaltplan noch einmal in Farbe angesehen da ich die Bezeichnung L/Y2 nicht gefunden habe.
Hier gehe ich dann noch einmal nach der Steckerbelegung. Das probiere ich dann noch einmal am Wochenende, vielleicht klappt es ja.
Wenn nicht dann ..... mal abwarten und erst mal testen
Hier gehe ich dann noch einmal nach der Steckerbelegung. Das probiere ich dann noch einmal am Wochenende, vielleicht klappt es ja.
Wenn nicht dann ..... mal abwarten und erst mal testen
- Lutze Offline
- Beiträge: 17010
- Registriert: Montag 7. Juni 2004, 22:12
- Motorrad: GSXR-750
- Lieblingsstrecke: Most
- Wohnort: Tangerhütte
- Kontaktdaten:
Re: R6 RJ11 Kupplungsschalter brücken
Kontaktdaten:
doch L ist blau und hier dann L/Y blau/gelbSLIDER hat geschrieben: L / Y2 ist sicher nicht Blau/Gelb
Mal eine andere Frage, sicher das es der richtige Schaltplan ist? In meinem hat der Kupplungsschalter die 70 und nicht 74, die Farben stimmen aber.
Erfahrung ist eine gute Sache.Leider macht man sie erst kurz nachdem man sie gebraucht hätte!
- Jack Daniels Offline
- Beiträge: 603
- Registriert: Donnerstag 11. Februar 2010, 08:41
- Lieblingsstrecke: Brno, NBR, HHR
- Wohnort: Zürich
Re: R6 RJ11 Kupplungsschalter brücken
Kontaktdaten:
Blau gelb und schwarz gelb sind die Kabel die gebrückt werden müssen.
- Chris129 Offline
- Beiträge: 145
- Registriert: Donnerstag 29. Juli 2010, 09:35
- Motorrad: aprilia RSV4
- Lieblingsstrecke: Zolder
- Wohnort: Lünen
- Kontaktdaten:
Re: R6 RJ11 Kupplungsschalter brücken
Kontaktdaten:
Ist nun schon ein paar Tage her aber heute habe ich das Mopped fertig für Ledenon gemacht.
Da kam mir das Thema wirst in den Sinn.
Es hat funktioniert.
Danke euch für die Tips.
Nun steht einem vernünftigen LeMans Start nichts mehr im Weg
Gruß Chris
Da kam mir das Thema wirst in den Sinn.
Es hat funktioniert.
Danke euch für die Tips.
Nun steht einem vernünftigen LeMans Start nichts mehr im Weg
Gruß Chris