Hallo Zusammen,
ich habe meine ECU durch den Brix flashen lassen, der Kerl hat aber so viel zutun, dass der Support manchmal etwas dürftig ist.
Deshalb nun mal hier gefragt.
Ich hab da ein mehr oder minder schwerwiegendes Problem.
Mit dem Rückerhalt meiner ECU kam noch ein Zettelchen mit der Pinbelegung der ECU mit.
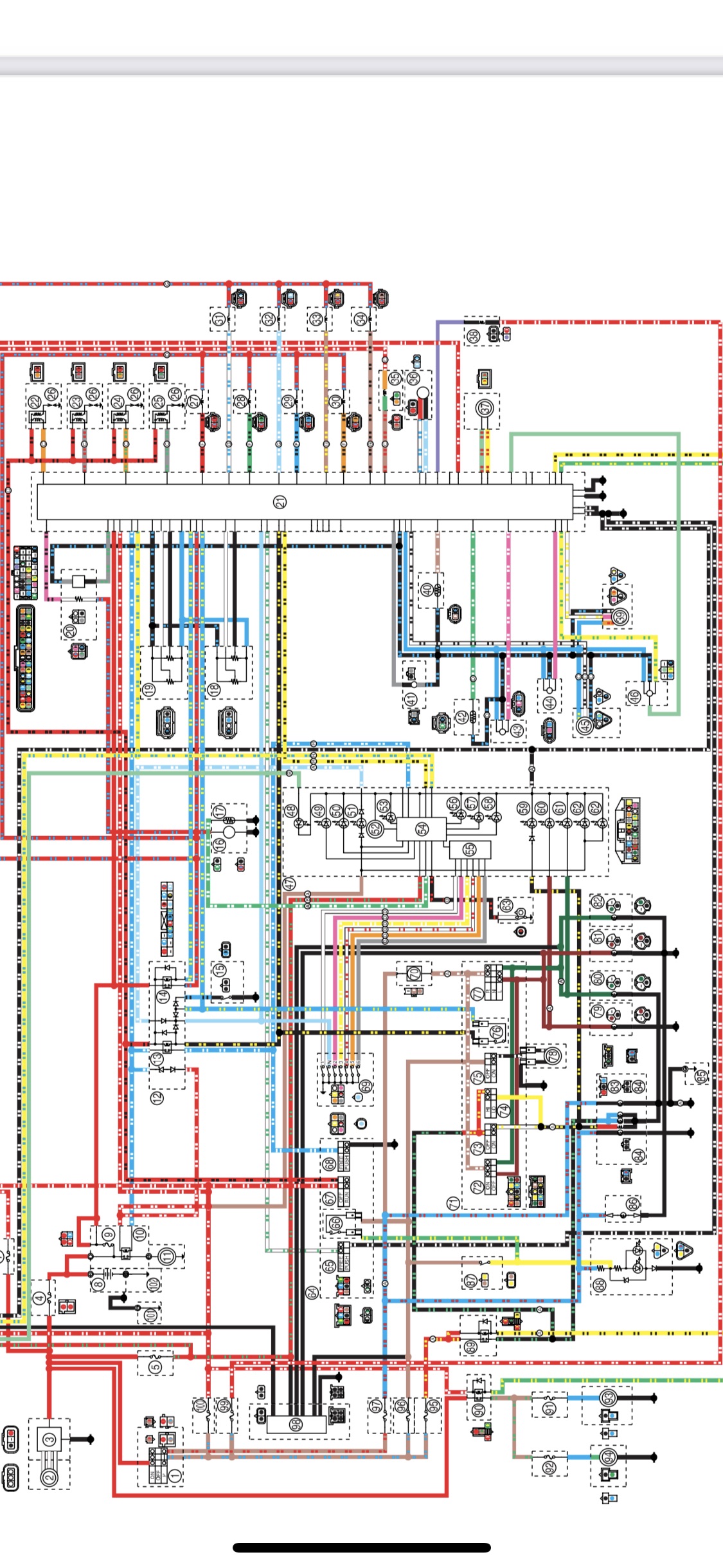
Der hier:
Als ich dann also dabei war, die Pins meines Steckers nach seinem Muster umzupinnen, viel mir auf dass die Kabelfarben in der unteren Reihe nicht passen und zwar Blau/Schwarz und Blau/Gelb.
Bei meinem Stecker sind das beides Blau/Gelbe Kabel, also bin ich auf die Suche gegangen und fündig geworden, es gibt für die 09er komischerweise 2 verschiedene Schaltpläne
Meiner:
Und seiner:
Gibt es dafür Erfahrungswerte? Wonach gehe ich denn da jetzt?
Geflasht wurde nach Kit ECU..
Danke schonmal
R1 RN22 ECU umpinnen nach Flash
Fahrwerk, Tuning, Reifen, Tips&Tricks,...
-
- Brrrp Offline
- Beiträge: 223
- Registriert: Dienstag 25. August 2020, 11:25
- Motorrad: S1000RR
- Lieblingsstrecke: Most
- Wohnort: Markkleeberg
R1 RN22 ECU umpinnen nach Flash
Kontaktdaten:
-
- Brrrp Offline
- Beiträge: 223
- Registriert: Dienstag 25. August 2020, 11:25
- Motorrad: S1000RR
- Lieblingsstrecke: Most
- Wohnort: Markkleeberg
Re: R1 RN22 ECU umpinnen nach Flash
Kontaktdaten:
Anschließend noch eine klärende Frage, versteht ihr unter „Disconnect Pin 5 und Pin 22“ die Kabel tatsächlich zu trennen und auf die entsprechenden Schalter/Taster zulegen, oder auf die Kabel mit einem
Abzweig drauf zu gehen?
Abzweig drauf zu gehen?
-
- Brrrp Offline
- Beiträge: 223
- Registriert: Dienstag 25. August 2020, 11:25
- Motorrad: S1000RR
- Lieblingsstrecke: Most
- Wohnort: Markkleeberg
Re: R1 RN22 ECU umpinnen nach Flash
Kontaktdaten:
Hatte das denn noch niemand? 
Bin nun etwas weiter und konnte nochmal mit Brix quatschen, die Pins 5 und 22 müssen tatsächlich ausgepinnt werden, hat sich mir nicht erschlossen, habs nun trotzdem gemacht.
Nachdem ich nun angenommen habe, das mein zweites Blau/Gelbes Kabel das Blau/Schwarze des anderen Schaltplans ist, und das entsprechend seines Pin Schema umgesteckt habe, tut sich halt an der BenzinPumpe nichts mehr.
Jemand ne Idee?
Bin nun etwas weiter und konnte nochmal mit Brix quatschen, die Pins 5 und 22 müssen tatsächlich ausgepinnt werden, hat sich mir nicht erschlossen, habs nun trotzdem gemacht.
Nachdem ich nun angenommen habe, das mein zweites Blau/Gelbes Kabel das Blau/Schwarze des anderen Schaltplans ist, und das entsprechend seines Pin Schema umgesteckt habe, tut sich halt an der BenzinPumpe nichts mehr.
Jemand ne Idee?
Re: R1 RN22 ECU umpinnen nach Flash
Kontaktdaten:
in beiden plänen sind die stecker layouts dargestellt.
da zählst du die pin nummern raus. und gehst nach pin nummer, nicht nach farbe.
wär jetz meine idee. obs hilft?
da zählst du die pin nummern raus. und gehst nach pin nummer, nicht nach farbe.
wär jetz meine idee. obs hilft?
-
- Brrrp Offline
- Beiträge: 223
- Registriert: Dienstag 25. August 2020, 11:25
- Motorrad: S1000RR
- Lieblingsstrecke: Most
- Wohnort: Markkleeberg
Re: R1 RN22 ECU umpinnen nach Flash
Kontaktdaten:
Hab die beiden Blau/Gelben nun wieder dahin zurück gesteckt wo sie hingehören, leider auch ohne Erfolg - Benzinpumpe bleibt aus.
Wenn ich den Killschalter wieder „Einschalte“ höre ich jedenfalls ein Klicken, kam aber noch nicht dazu nachzusehen ob es das BP-Relais oder Starterrelais ist (wobei letzteres ja erst schließen dürfte wenn Knopf gedrückt)
Wenn ich den Killschalter wieder „Einschalte“ höre ich jedenfalls ein Klicken, kam aber noch nicht dazu nachzusehen ob es das BP-Relais oder Starterrelais ist (wobei letzteres ja erst schließen dürfte wenn Knopf gedrückt)
-
- Brix Offline
- Beiträge: 377
- Registriert: Montag 23. Juni 2008, 14:14
- Wohnort: Oberfranken
- Kontaktdaten:
Re: R1 RN22 ECU umpinnen nach Flash
Kontaktdaten:
moin
warum wird immer alles schlecht geredet ?
wenn man sich an den Plan hält was ich dir auch schon 3 mal geschrieben habe wird es auch funktionieren
Da werden irgendwelche Schaltpläne verwendet Schrauberprofis zu Rate gezogen und alles kommt durcheinander
und ich bin dann der mit schlechtem Support?
bin einer der wenigen die sich um Probleme kümmert selbst wenn es mich gar nichts angeht !
Gruß Stefan
warum wird immer alles schlecht geredet ?
wenn man sich an den Plan hält was ich dir auch schon 3 mal geschrieben habe wird es auch funktionieren
Da werden irgendwelche Schaltpläne verwendet Schrauberprofis zu Rate gezogen und alles kommt durcheinander
und ich bin dann der mit schlechtem Support?
bin einer der wenigen die sich um Probleme kümmert selbst wenn es mich gar nichts angeht !
Gruß Stefan
- Lutze Offline
- Beiträge: 17013
- Registriert: Montag 7. Juni 2004, 22:12
- Motorrad: GSXR-750
- Lieblingsstrecke: Most
- Wohnort: Tangerhütte
- Kontaktdaten:
Re: R1 RN22 ECU umpinnen nach Flash
Kontaktdaten:
Wieso hast du überhaupt beide entfernt?Brrrp hat geschrieben:Hab die beiden Blau/Gelben nun wieder dahin zurück gesteckt wo sie hingehören, leider auch ohne Erfolg - Benzinpumpe bleibt aus.
Ich hätte es so verstanden das da eben Pin 22 zu bearbeiten ist und Pin 25 bleibt unberührt.
Jetzt besteht ja die Möglichkeit das du beide vertauscht hast und es deshalb nicht funktioniert.
Du hättest nur Pin 5 und 22 trennen müssen und dann sollte erst mal alles laufen.
Dann eben die Möglichkeit über Pin 22 gegen Masse den Pitlimiter zu aktivieren.
Mit Pin5 kann ich dem Text nicht entnehmen ob da eventuell mittels trennen/verbinden 2 unterschiedliche Maps geschalten werden sollen.
Auf jeden Fall hättest du die Finger von Pin 25 lassen sollen denke ich. So ganz geht aus deinem Foto für mich nicht hervor was genau gemacht werden soll, welche Schritte notwendig sind und wo hört die Anleitung auf.
Erfahrung ist eine gute Sache.Leider macht man sie erst kurz nachdem man sie gebraucht hätte!
-
- Brrrp Offline
- Beiträge: 223
- Registriert: Dienstag 25. August 2020, 11:25
- Motorrad: S1000RR
- Lieblingsstrecke: Most
- Wohnort: Markkleeberg
Re: R1 RN22 ECU umpinnen nach Flash
Kontaktdaten:
Brix hat geschrieben:moin
warum wird immer alles schlecht geredet ?
wenn man sich an den Plan hält was ich dir auch schon 3 mal geschrieben habe wird es auch funktionieren
Da werden irgendwelche Schaltpläne verwendet Schrauberprofis zu Rate gezogen und alles kommt durcheinander
und ich bin dann der mit schlechtem Support?
bin einer der wenigen die sich um Probleme kümmert selbst wenn es mich gar nichts angeht !
Gruß Stefan
Moin Stefan,
finde ich jetzt etwas schade dass du das als "schlecht machen" aufgefasst hast.
Denn das sollte es absolut nicht sein, deine Arbeit als solche kann ich im Moment noch gar nicht bewerten, da die Karre eben nicht läuft.
Wie du bereits gesagt hast, habe ich alle Pins nach Plan belegt, neue Batterie + Aufgeladen, die Benzinpumpe springt halt einfach nicht mehr mit an.
Sicherlich wirst du mich verstehen, dass ich dann nach Hilfe gesucht habe.
Es ist halt auch einfach nichts mehr nachvollziehbar, und wenn die Pin-Farbe nicht passt weil es verschiedene Schaltpläne für die Bikes gibt, ist es um so schwieriger zu verstehen was man da macht.
Ich habe alles probiert, vertauscht haben kann ich sie nicht da ich sie vorher markiert habe, ich habe es ausprobiert sie zu lassen wo sie waren, und nur Pin22 zu ziehen, ich habe die getauscht und dann Pin22 gezogen, ich hab's ja dann auch mit Brix am Telefon live probiert, da geht nichts mehr..Wieso hast du überhaupt beide entfernt?
Ich hätte es so verstanden das da eben Pin 22 zu bearbeiten ist und Pin 25 bleibt unberührt.
Jetzt besteht ja die Möglichkeit das du beide vertauscht hast und es deshalb nicht funktioniert.
Du hättest nur Pin 5 und 22 trennen müssen und dann sollte erst mal alles laufen.
Dann eben die Möglichkeit über Pin 22 gegen Masse den Pitlimiter zu aktivieren.
Mit Pin5 kann ich dem Text nicht entnehmen ob da eventuell mittels trennen/verbinden 2 unterschiedliche Maps geschalten werden sollen.
Auf jeden Fall hättest du die Finger von Pin 25 lassen sollen denke ich. So ganz geht aus deinem Foto für mich nicht hervor was genau gemacht werden soll, welche Schritte notwendig sind und wo hört die Anleitung auf.