Zum Inhalt
NEU: Events vieler Veranstalter direkt auf R4F buchen. Bequem und einfach. Jetzt buchen

Grip One Pro 2 vs. Bazzaz

Fahrwerk, Tuning, Reifen, Tips&Tricks,...

Moderatoren: as, Chris

  • Benutzeravatar
  • tobi281 Offline
  • Beiträge: 557
  • Registriert: Mittwoch 2. Mai 2007, 12:46
  • Motorrad: Prima5S
  • Kontaktdaten:

Re: Grip One Pro 2 vs. Bazzaz

Kontaktdaten:

Beitrag von tobi281 »

Ja gibt es. Das sind ja nur einfache Induktivsensoren. Meine gp one pro hab ich gebraucht gekauft ist aber ursprünglich vom Hechi. Sind Contrinex Sensoren verbaut, die gibt es sogar in allen Möglichen Schaltabständen. Ich hab mir noch 2 Ersatz besorgt ( kostet einer um die 30€) und die mit 4mm Schaltabstand verbaut da hab ich mehr Luft beim Radwechsel.
Eine Anzeige über eine sehr helle LED hab ich auch im Cockpit sonst wäre es manchmal schwer überhaupt zu merken das da schon was am regeln ist glaub ich.
Ich habe ja nur eine Mutter von hinten an den Bremsanker und Gabelfuß zum Kontern und Gewinde in Fuß und Anker geschnitten direkt so kann ich den Sensor perfekt einstellen. Mit 2. Mutter auf der Innenseite und nur einem Durchgangsloch ohne Gewinde für den sensor wirds sicher etwas eng.
Aber uffbasse die Sensoren von Contrinex haben Feingewinde M8x1 auch wenn sie nur M8 Sensoren benannt werden und das auch draufsteht.
  • Benutzeravatar
  • Super_Sonic Offline
  • Beiträge: 300
  • Registriert: Mittwoch 19. Mai 2010, 17:55
  • Motorrad: Yamaha R1
  • Lieblingsstrecke: Hockenheim GP
  • Wohnort: Frankfurt

Re: Grip One Pro 2 vs. Bazzaz

Kontaktdaten:

Beitrag von Super_Sonic »

welche LED hast du?

Ist es die von Grip One sebst?
  • Benutzeravatar
  • tobi281 Offline
  • Beiträge: 557
  • Registriert: Mittwoch 2. Mai 2007, 12:46
  • Motorrad: Prima5S
  • Kontaktdaten:

Re: Grip One Pro 2 vs. Bazzaz

Kontaktdaten:

Beitrag von tobi281 »

Ja ich meine die gibts beim Hechi die LED.
  • Benutzeravatar
  • slac Offline
  • Beiträge: 124
  • Registriert: Sonntag 13. September 2009, 00:28

Re: Grip One Pro 2 vs. Bazzaz

Kontaktdaten:

Beitrag von slac »

falls interesse - habe eine gebrauchte grip one pro inkl. mapschalter & led für yamaha & kawa abzugeben-> http: //www.racing4fun.de/anzeigen/details/15655. html
verkauft

bin auf yec kit umgestiegen deshalb abzugeben - war sehr zufrieden damit - einfach zu handhaben und zuverlässig.

gruss slac
Zuletzt geändert von slac am Samstag 5. Mai 2012, 00:28, insgesamt 1-mal geändert.
---------------------------------------------------
16.-17.05.2016 HHR
02.-03.07.2016 AdR
23.-25.09.2016 Brno
  • Benutzeravatar
  • Dani_Duke Offline
  • Beiträge: 52
  • Registriert: Sonntag 6. Juni 2010, 12:31
  • Motorrad: 1098
  • Wohnort: Essen
  • Kontaktdaten:

Re: Grip One Pro 2 vs. Bazzaz

Kontaktdaten:

Beitrag von Dani_Duke »

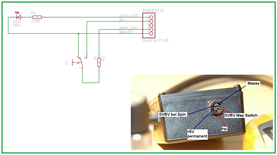
Da ich heut noch dran gebastelt hab, hier noch eine Info für euch, wie LED und/oder Map-Schalter angeschlossen werden können.
Dateianhänge
GripOne_LED_Switch.jpg
Gruß, Daniel
  • Benutzeravatar
  • Super_Sonic Offline
  • Beiträge: 300
  • Registriert: Mittwoch 19. Mai 2010, 17:55
  • Motorrad: Yamaha R1
  • Lieblingsstrecke: Hockenheim GP
  • Wohnort: Frankfurt

Re: Grip One Pro 2 vs. Bazzaz

Kontaktdaten:

Beitrag von Super_Sonic »

hi,

ich holle die ganze Gesschichte nochmal hoch.

Ich habe am 17. Mai das erste mal die Grip One Pro 2 Testen können.

Ich habe Sie zuerst sehr Empfindlich eingestellt, die Folge war das ich in Schräglage einen Traktor hatte und auf den Geraden aus meiner 1000er eine 600er wurde.

Die Analyse vom Starlane GPS ergab das ich in der Parabolika 30 und teilweise 40 km/h unterschied hatte.

An welchen Werten muss mann Arbeiten um diese kleinen Probleme zu lösen.

Aber trozdem ist das Gefühl mit einer TC Balsam für meine Seele nach meinem Highsider.

Heute Abend lade ich mal ein Video von einem Turn hoch.
  • Benutzeravatar
  • Andreascook Offline
  • Beiträge: 1135
  • Registriert: Freitag 20. Juli 2007, 23:47
  • Motorrad: S1000rr
  • Lieblingsstrecke: Barcelona & Mugello
  • Wohnort: Beverly Dietzenbach

Re: Grip One Pro 2 vs. Bazzaz

Kontaktdaten:

Beitrag von Andreascook »

Hi,
wichtig ist, das Du die Begrifflichkeiten in der Anleitung genau liest !
Ich hatte am Anfang die gleichen Aufgaben (Probleme) wie Du.

Empfindlichkeit
Stufe 1 = 7
Stufe 2 = 8
Stufe 3 = 9
- je höher dieser Wert, desto UNEMPFINDLICHER regelt dei TC

Wirkung:
Stufe 1 = 6
Stufe 2 = 7
Stufe 3 = 8
- je höher dieser Wert, desto STÄRKER regelt dei TC

Rest ist soweit klar ?!
Gruß Andree
  • Benutzeravatar
  • gsxr-treiber Offline
  • Beiträge: 510
  • Registriert: Mittwoch 11. Februar 2009, 14:51
  • Motorrad: Gsxr 1000 K8
  • Lieblingsstrecke: Cartagena
  • Wohnort: 500m vor Berlin

Re: Grip One Pro 2 vs. Bazzaz

Kontaktdaten:

Beitrag von gsxr-treiber »

Taste dich einfach von Turn zu Turn an deine für dich beste Einstellung heran. Ich hab letztes Jahr einfach nach jedem Turn den Laptop angestöpselt und etwas die Empfindlichkeit runtergeregelt (Ich hab bei ganz Empfindlich und viel Regeln angefangen). So konnte ich jederzeit das Regeln der TC in den Einzelnen Kurven mitbekommen und hab auch viel Vertrauen in die Funktion bekommen... Stecker der TC liegt bei mir von aussen erreichbar am Höcker und so dauert das anstöpseln und verändern grad mal 3 Minuten zwischen den Turns... Wenn erstmal das "Grundsetup" steht gibts dann nur noch wenig zum verändern, aber gerade das Verstehen der TC durch das Intensiv damit beschäfftigen beim Einstellen und dann das Wissen über ihr da sein gibt ein gutes Gefühl nachm Highsider :)
Saison 2025:

Mai: Most
Mai: Oschersleben
Juni: Lausitzring
August: ??
September: Oschersleben
  • Benutzeravatar
  • Steffen17982 Offline
  • Beiträge: 39
  • Registriert: Sonntag 5. Dezember 2010, 22:33

Re: Grip One Pro 2 vs. Bazzaz

Kontaktdaten:

Beitrag von Steffen17982 »

zur Info:
Es gibt auf der Herstellerseite jetzt einen Schräglagensensor der ersezt das TP Signal, dann könnte man das Problem mit dem Wirkungsgrad in mittlerer Schräglage schneller in den Griff bekommen. Kostet knapp 200€.
  • Benutzeravatar
  • Andreascook Offline
  • Beiträge: 1135
  • Registriert: Freitag 20. Juli 2007, 23:47
  • Motorrad: S1000rr
  • Lieblingsstrecke: Barcelona & Mugello
  • Wohnort: Beverly Dietzenbach

Re: Grip One Pro 2 vs. Bazzaz

Kontaktdaten:

Beitrag von Andreascook »

Steffen17982 hat geschrieben:zur Info:
Es gibt auf der Herstellerseite jetzt einen Schräglagensensor der ersezt das TP Signal, dann könnte man das Problem mit dem Wirkungsgrad in mittlerer Schräglage schneller in den Griff bekommen. Kostet knapp 200€.
Link ?!
Antworten